广东日富电梯有限公司
首页
企业简介
产品大全
联系我们
企业信息
访客留言
产品大全
特种设备锅炉安装改造许可级别分类全解析
锅炉安装B级资质详解 特种设备安装改造修理的关键准入
广州白云特种设备压力管道安装许可证申请指南
紧锣密鼓改造,确保冬季“暖屋子”——聚焦老旧管网更新、小锅炉拆并与新热源建设中的特种设备安装改造修理
园区优质民营企业展|湖南岳大环保科技:创新驱动发展 科技守护生态 特种设备安装改造修理
特种设备安装、改造、维修许可证的分类与级别详解
奥塔机械 以“质量第一”为核心理念,匠心打造令人放心的立体车库品牌
特种设备安装、改造、维修告知书(多台)填写指南与法律意义
东营市特检院以硬实力筑基,以优服务赋能 全力推进特种设备作业人员考试实操能力建设
江西南昌车轮组厂家价格解析与特种设备安装改造修理指南
资质代理与专业服务 陕西华兴邦达特种设备技术服务有限公司的特种设备安装改造修理业务解析
《特种设备安全监察条例》下的安装、改造与修理规范解读
特种设备安装改造维修许可证 保障安全与合规的关键凭证
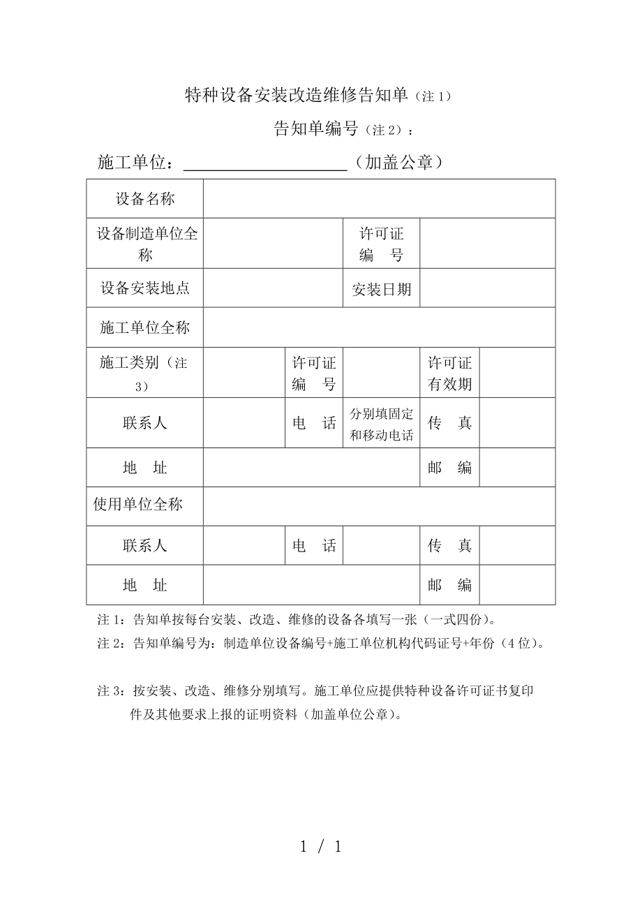
特种设备安装改造维修告知单 确保安全与合规的重要环节
《机电类特种设备安装改造维修许可规则(试行)》解读与实施要点
巨立股份 深耕特种设备安装改造维修,以专业许可证铸就行业安全基石
TSG特种设备许可证 聚焦叉车维修的安装改造修理许可详解
特种设备制造与安装修理许可制度概览 起重机、电梯与压力管道
特种设备安装改造维修许可证办理全流程详解
起重机械安装改造维修许可证 特种设备安装改造修理的安全通行证
如若转载,请注明出处:http://www.gdrfdt.com/product/
1
2
下一页